Arduinoを使ってLEDを点滅させることを念頭に,Arduinoと電子部品を接続します。

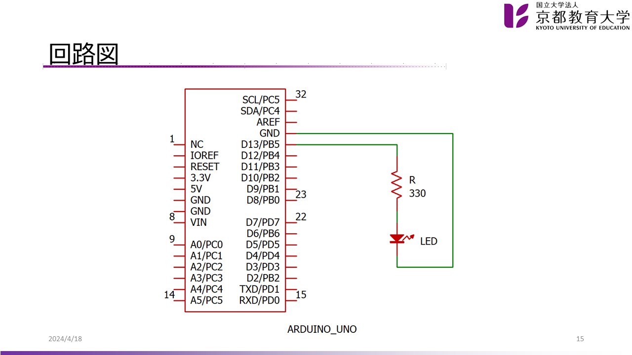
このように接続します。電気回路図で示すと,下のようになります。

Arduinoの13番ピンから抵抗につながり,そこからLEDのアノード(A) につながります。さらに,LEDのカソード(K)からArduinoのGNDにつながります。下の写真を参考にして回路を完成させてください。



























以上の手順で,無事にLEDがチカチカしました。余裕のある人は,プログラムを書き換えて,点滅の間隔を変えたり,LEDのONとOFFの時間の割合を変えたりしてみましょう!


コメント