はじめに
共立電子エレショップで販売されているボイスレコーダー基板(KP-50355)を入手したので、それをArduinoで制御する方法についてまとめてみます。
ボイスレコーダー基板
ボイスレコーダー基板の外観を示します。

この基板にはマイクが付属しています。スピーカードライブ回路も内蔵されているため、スピーカーと電源を接続するだけで、録音・再生ができます。まず、左側のSW1を使って録音します。SW1を押しながらマイクに向かって話しかけると、その音声が録音されます。最長録音時間は20秒です。次に、右側のSW2をポンと押すと、録音した音声が再生されます。
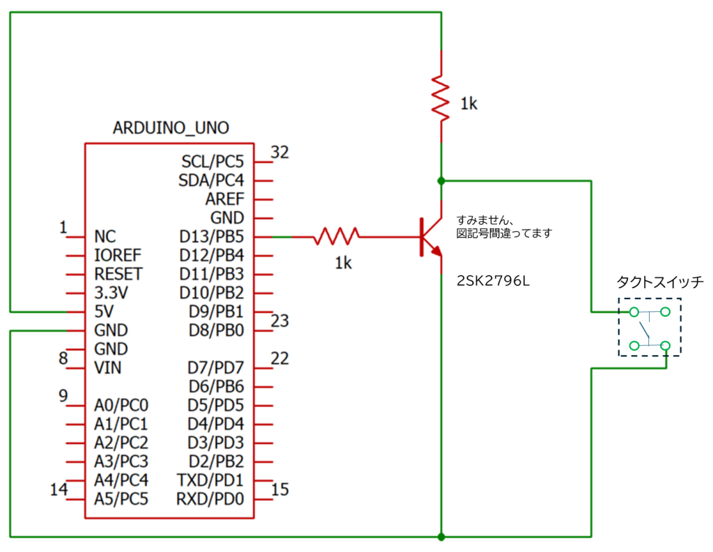
接続図はここを参照。
さて、この基板にはArduinoの信号を入力する端子がありません。そこで、SW1を利用します。基板を裏返してみます。
少しわかりづらいですが、右図の赤丸の部分はSW1(再生ボタン)の端子です。この2か所を導通させると音声が流れます。
これをトランジスタスイッチで再現すればいいということになりました。
回路図は以下のようになります。タクトスイッチの部分は赤丸に接続するという意味です。はんだづけしました。


Arduinoのスケッチ
Arduinoのスケッチは以下のようになります。
void setup() {
pinMode(13, OUTPUT);
}
void loop() {
digitalWrite(13, HIGH);
delay(1000);
digitalWrite(13, LOW);
delay(1000);
}
このプログラムを実行すると、1秒ごとに音声が再生されるようになりました。
ちなみに
ちなみに最初は2SC1815のトランジスタを使っていたのですがうまくいきません。この回路図ではC-E間の電圧を直接に回路図の赤丸の部分に加えているのですが、2SC1815の場合、ON状態とOFF状態の電圧差が出てきませんでした。そこで、FETにかえると、しっかり0Vと5Vの電圧が出てきましたのでうまく再生できました。


コメント